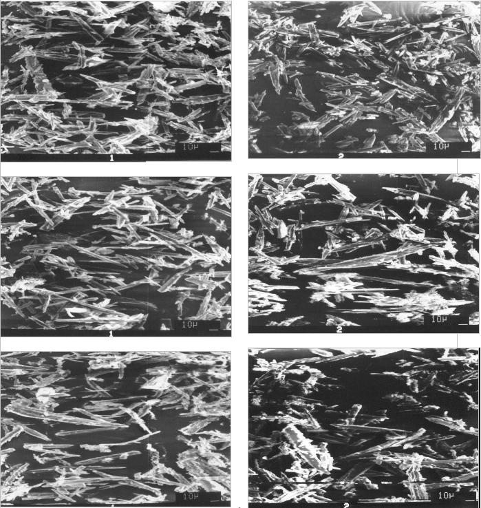
Crystals of mineral salts obtained through vaporisation of 14750ml of water of modified time of magnetic relaxation (in the magnetic field of RAM apparatus (RAM – Tubular Magnetic Apparatus)). Concentration of crystals in the form of loose sludge occurred on the bottom of a glass vessel containing 1250ml of water. |
Crystals of mineral salts obtained through vaporisation of 14750ml of raw water; the crystals appeared on the wall and bottom of a glass vessel containing 1250ml of water in the compact form bound to the base. |
Crystals of mineral salts obtained through vaporisation of 1000ml of water (of modified time of magnetic relaxation) from the level of 1250ml to that of 250ml. The water was a product of previously conducted vaporisation of 14750ml of raw water and contained dissolved salts which precipitated due to change of the water volume. |
Crystals of mineral salts obtained through vaporisation of 1000ml of raw water from the level of 1250ml to that of 250ml. The water was a product of previously conducted vaporisation of 14750ml of raw water and contained dissolved salts which precipitated due to change of the water volume. |
Deposit subject to action of water of modified time of magnetic relaxation. |
Deposit formed in a water system. |